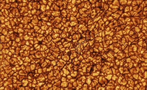
ナショナル・ソーラー天文台(NSO)は、太陽の表面を撮影した動画を公開しました。「過去最高の解像度で太陽の表面を観測しました」と、NSOは説明しています。 NSOは18マイル(約29km)という精度で太陽の「特徴」を捉えました。この映像は、これまでで最も…
引用をストックしました
引用するにはまずログインしてください
引用をストックできませんでした。再度お試しください
限定公開記事のため引用できません。